Tel
0523-8733 8088
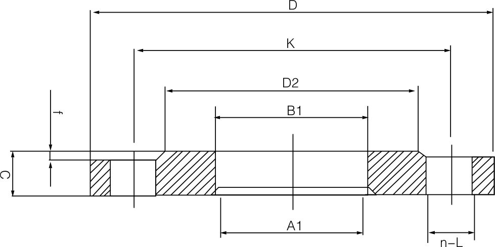
Slip on flange
Product overview
Outer diameter of flange: 75mm-2190mm
Bolt hole center circle diameter: 50mm~2130mm
Bolt hole diameter: 11mm-30mm
Number of bolt holes: 4-48
Thread: M10-M27
Flange thickness: 12mm-58mm
Pipe outer diameter: A (17 2-2032MM) B(14-2020MM )
Flange inner diameter: A (18-2036MM) B (15-2024MM)
Theoretical weight of flange: 0.36kg --234.6kg (DN1800)
Flange pressure: 0.25MPa-4.0MPa
Carbon steel flat welding flange refers to a type of flange that is connected to a container or pipeline using a fillet weld. It belongs to any type of flange. During design, based on the integrity of the connection between the flange ring and the straight tube section, it shall be checked as either an integral or loose flange. There are two types of flange rings: with and without a neck. Compared with the neck welded flange, the flat welded flange has a simple structure and saves materials, but its stiffness and sealing are not as good as the neck welded flange. Widely used for connecting medium and low pressure vessels and pipelines. Carbon steel flat welding flanges are suitable for pipeline systems with relatively low pressure levels and minimal pressure fluctuations, vibrations, and vibrations.







