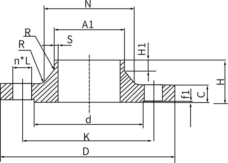
Slip on flange

Product overview

Nominal size: 1/2 "~80" (10-5000)

Pressure rating: 0.6Mpa~32Mpa (150Lb~2500Lb)

Main material: 201.202.301.302.303.304L.309S.310S.316.316L.317.317L.321.410.420, etc

Standards: National Standard, American Standard, Japanese Standard, German Standard, Italian Standard, Ministry of Chemical Industry Standard, Ministry of Machinery Standard, Pressure Vessel Standard

Scope and application: industries such as boilers, pressure vessels, petroleum, chemicals, shipbuilding, pharmaceuticals, metallurgy, machinery, food, etc


Product Detail

Stainless steel neck flat welding flanges are mainly used for docking during pipeline installation, especially when the diameters of two pipelines are different. The connection method is achieved through welding, and the thickness and pressure requirements are relatively high.


Slip on flange(圖1)


Slip on flange(圖2)

Slip on flange(圖3)

Recommend