聯係電話:
0523-8733 8088
產品詳(xiáng)情
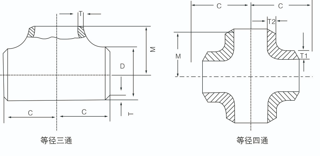
三通(tōng)又稱管件三通(tōng)或三(sān)通管件(jiàn)、三通接頭等。主(zhǔ)要用於(yú)改變流體的方向,用於主管支管。它可(kě)以按管道尺寸進行分類。一般由碳鋼、鑄鋼(gāng)、合金鋼、不鏽鋼、銅、鋁合金、塑(sù)料、氬氣、聚氯(lǜ)乙烯等材料製成。


當前位置: 首頁 > 通用閥門法蘭管件(jiàn) > 管件係列
三通(tōng)又稱管件三通(tōng)或三(sān)通管件(jiàn)、三通接頭等。主(zhǔ)要用於(yú)改變流體的方向,用於主管支管。它可(kě)以按管道尺寸進行分類。一般由碳鋼、鑄鋼(gāng)、合金鋼、不鏽鋼、銅、鋁合金、塑(sù)料、氬氣、聚氯(lǜ)乙烯等材料製成。



蘇公網安備 32128302001489號