聯係電話(huà):
0523-8733 8088
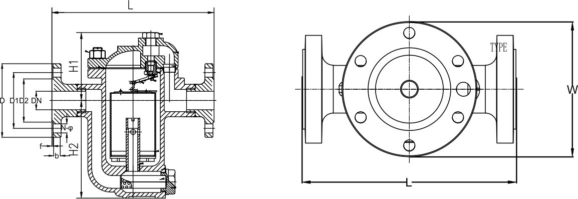
產品詳情
◆倒置桶疏水閥工作原理是依靠(kào)汽、液密(mì)度差。
◆閥體、 閥蓋全(quán)部鍛鋼/鑄鋼材質。
◆內件全部采用不鏽(xiù)鋼,活動零部件設計時已充分考(kǎo)慮了磨損餘量,提高了疏水閥使用壽命(mìng)。
◆U型(xíng)流道設計, 實現水封效果,無泄漏蒸汽現象。
◆具有(yǒu)專利技術可(kě)靠的柔性關閉(bì)係統,無蒸汽泄(xiè)漏。
◆加裝(zhuāng)防水擊(jī)裝置,使進入閥體的流體不產生水擊現象。
◆內置(zhì)止(zhǐ)回閥,適用過熱蒸汽環境(jìng)。
◆內置過濾器,使疏水閥在潔淨的環境中工作。
◆依照壓力大小選擇不同的排量曲線。




