聯係(xì)電話:
0523-8733 8088
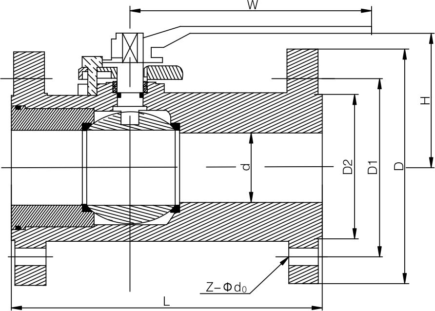
1、閥門采用整體鑄造(zào),杜絕中部外漏,閥蓋采用六角式,裝(zhuāng)配緊實,配套法蘭密封圈,杜絕外漏。
2、防火結構:當發生火災時,球(qiú)體隨閥座的介質力,使球體緊密接觸通道口處的金屬唇(chún),達到防火硬密封(fēng)功能。
3、防靜(jìng)電結構:不鏽鋼鋼珠受強力彈簧加載,確保球體,閥杆和殼體三者(zhě)通路,產生的靜電(diàn)暢通輸出。
4、防閥杆飛出結構:閥杆一體台階,確保閥(fá)杆(gǎn)受壓不飛出。
5、閥杆(gǎn)五級密封結構:第一級(jí)為倒密封墊片,第二級為VITON或(huò)者全氟迷O型圈,第三級為VITON或者全氮迷O型圈,第四級為V型PTFE、增強密封、柔性石墨、ISO15848填料(liào)密封,第五級密封為碟簧(huáng)墊,在溫度和壓力瞬間變化,釋放瞬間產生的膨脹和壓力值(zhí),可以自動補償(cháng),從而達到(dào)良好的密封效果,保證閥杆的密封。
6、閥座(zuò)材料可以多種(zhǒng)選擇,常用日本大金RPTFE,TFM1600,TFM4215,耐高溫KFM,PEEK,耐(nài)低溫PCTFE等。
7、閥座(zuò)結構為:弧麵密封具有刮刀效(xiào)果,密封更寬,密封效(xiào)果更顯著。帶泄(xiè)壓口,開關更輕巧。






